Tondeuse Autoportée Green Cut / Entretien Outils De Jardin Topiwall : Les tondeuses autoportées sont idéales pour les grands jardins et terrains de grande surface nécessitant une tonte régulière et ne présentant pas de difficultés majeures.
Dapatkan link
Facebook
X
Pinterest
Email
Aplikasi Lainnya
Tondeuse Autoportée Green Cut / Entretien Outils De Jardin Topiwall : Les tondeuses autoportées sont idéales pour les grands jardins et terrains de grande surface nécessitant une tonte régulière et ne présentant pas de difficultés majeures.. Liste des produits de la marque : Découvrez toute la gamme de tondeuses autoportées stiga conçues pour les grandes surfaces en roulant sur tous les types de terrain aussi confortablement que dans une voiture ! Avec une tondeuse autoportée, une pelouse bien rase sans effort n'est plus un mirage. Trouvez une tondeuse autoportée parmi les 890 annonces de tondeuses autoportées. Tondeuse, tracteur tondeuse autoportée, tronçonneuse, débroussailleuse, robot tondeuse… cette réalité, elle porte un nom :
Lambin a sélectionné des modèles de grandes marques, le tout au meilleur prix et livré gratuitement à domicile ! La tondeuse idéale pour les terrains arborés d'une certaine taille, la tondeuse autoportée est l'outil parfait pour tondre votre pelouse et entretenir votre gazon. Vous garantir le bon achat, on y travaille tous les jours. Découvrez toute la gamme de tondeuses autoportées stiga conçues pour les grandes surfaces en roulant sur tous les types de terrain aussi confortablement que dans une voiture ! Pour l'entretien de ses espaces verts, le jardinier ne pousse plus sa tondeuse en étant debout derrière, il est confortablement assis sur son tracteur tondeuse.
Filtre A Essence Briggs Stratton 394 358 Par 2 Matijardin from lookaside.fbsbx.com Vous garantir le bon achat, on y travaille tous les jours. Liste des produits de la marque : Plusieurs milliers de références de pièces détachées et accessoires pour toutes les marques de vos machines de jardin, en stock et expédiées chez vous en. Avec une tondeuse autoportée, une pelouse bien rase sans effort n'est plus un mirage. Lambin a sélectionné des modèles de grandes marques, le tout au meilleur prix et livré gratuitement à domicile ! La puissance pour tondre plus facilement, un démarrage régulier, et des composants robustes et durables qui offrent une durée de vie supérieure est ce que vous attendez de votre moteur de tondeuse autoportée briggs & stratton. Pièces détachées pour tracteur de pelouse tondeuse autoportée. Cet outil vous assure un confort optimal et un effort limité.
Cette tondeuse autoportée de jardin est reconnue comme une des plus faciles à utiliser, une des plus confortables.
C'est aussi la solution pour disposer d'un gazon court et entretenu sans avoir à transpirer. Tracteur tondeuse rg 145 par mtd. Idéale sur les terrains de grande surface (rendement jusqu'à 15 000 m²/h), elle est utilisable même sur herbe mouillée ou haute. Retrouvez chez leroy merlin notre sélection de 59 produits pas chers, au prix le plus juste, sur un large choix de marques et. Tondeuses autoportées neuves et d'occasions. Avec une tondeuse autoportée, une pelouse bien rase sans effort n'est plus un mirage. Cet outil vous assure un confort optimal et un effort limité. Tracteur tondeuse oem twin cut. Bienvenue sur agriaffaires, leader de la petite annonce de matériel agricole. Echo, zenoah, topso, kaaz, valex, green cut, thielbürger, ibea, masport, brill, farmer, bernard, ryobi, simplicity, eden park, garden, stafor, kohler, ariens, ircem, staub. Quelle est la meilleure tondeuse autoportée ? Une tondeuse tracteur allie simultanément confort d'utilisation et rapidité pour vous permettre de couper votre pelouse efficacement et sans efforts. Cette tondeuse autoportée de jardin est reconnue comme une des plus faciles à utiliser, une des plus confortables.
Plus de 90 marques dans cette catégorie, nous mettons en avant toutes les pièces de rechange pour autoportées. Tondeuse, tracteur tondeuse autoportée, tronçonneuse, débroussailleuse, robot tondeuse… cette réalité, elle porte un nom : Avec une tondeuse autoportée, une pelouse bien rase sans effort n'est plus un mirage. Pièces tracteur tondeuse, c'est le site de vente en ligne de pièces détachées pour votre tracteur tondeuse autoportée, motoculteur, micro tracteur daloz, dixon, dorigny, dynamark, eden park, electrolux, etesia, floride, flymo, ggp, gianni ferrari, granja, green cut, grillo, gutbrod, hako. See more of tondeuses autoportées neuves et d'occasions on facebook.
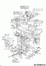
Greencut Vues Eclatees from i.imgur.com Idéale sur les terrains de grande surface (rendement jusqu'à 15 000 m²/h), elle est utilisable même sur herbe mouillée ou haute. Pièces détachées pour tracteur de pelouse tondeuse autoportée. Echo, zenoah, topso, kaaz, valex, green cut, thielbürger, ibea, masport, brill, farmer, bernard, ryobi, simplicity, eden park, garden, stafor, kohler, ariens, ircem, staub. Tracteur tondeuse oem twin cut. Les tondeuses autoportées sont idéales pour les grands jardins et terrains de grande surface nécessitant une tonte régulière et ne présentant pas de difficultés majeures. Tondeuse autoportée équipée d'un plateau de coupe central à éjection arrière (évite les bourrages), avec bac de ramassage à bennage au sol ou hydraulique en hauteur. Comparer les prix des 34 tondeuses autoportées disponibles parmi les offres des marchands et acheter moins cher avec idealo.fr ! Cependant, de nombreux propriétaires ont du mal à choisir une tondeuse autoportée qui convient totalement à leurs besoins.
Gardol, ggp, grand air, greatland, green cut, handy power, jonsered, lazer, mac allister, mastercut, masterland.
La tondeuse idéale pour les terrains arborés d'une certaine taille, la tondeuse autoportée est l'outil parfait pour tondre votre pelouse et entretenir votre gazon. Comparez les prix de 109 produits, recherchez votre tondeuse autoportée en filtrant par marque et année de sortie. Pièce détachée pour tracteur tondeuse autoportée. Cette tondeuse autoportée de jardin est reconnue comme une des plus faciles à utiliser, une des plus confortables. Tondeuse autoportée leroy merlin, achat tondeuse autoportée éjection arrière mtd optima ln165hrtg 500 cm³ l.105 cm prix leroy merlin 2 999.00 € ttc. Liste des produits de la marque : Vous cherchez une tondeuse autoportée greencut d'occasion? Autoportée ramassage intégré mtd optima ln 165 h moteur b&s 4165 pb 500cm³ monocylindre 9,0kw à 2600 tr/m. Gardol, ggp, grand air, greatland, green cut, handy power, jonsered, lazer, mac allister, mastercut, masterland. Tondeuses autoportées neuves et d'occasions. Trouvez une tondeuse autoportée parmi les 890 annonces de tondeuses autoportées. Découvrez toute la gamme de tondeuses autoportées stiga conçues pour les grandes surfaces en roulant sur tous les types de terrain aussi confortablement que dans une voiture ! Plusieurs milliers de références de pièces détachées et accessoires pour toutes les marques de vos machines de jardin, en stock et expédiées chez vous en.
Echo, zenoah, topso, kaaz, valex, green cut, thielbürger, ibea, masport, brill, farmer, bernard, ryobi, simplicity, eden park, garden, stafor, kohler, ariens, ircem, staub. See more of tondeuses autoportées neuves et d'occasions on facebook. Le tracteur tondeuse aussi appelé tondeuse autoportée, est la solution parfaite pour faire de la tonte de votre pelouse un moment de plaisir. L'outil idéal pour votre pelouse arborée : Bienvenue sur agriaffaires, leader de la petite annonce de matériel agricole.
Lame Tondeuse Pour Castelgarden R534tr 81004381 Matijardin from media2.matijardin.fr Tondeuse autoportee, tout savoir sur l'art de la tonte du gazon et des belles pelouses. Bienvenue sur agriaffaires, leader de la petite annonce de matériel agricole. Pièces tracteur tondeuse, c'est le site de vente en ligne de pièces détachées pour votre tracteur tondeuse autoportée, motoculteur, micro tracteur daloz, dixon, dorigny, dynamark, eden park, electrolux, etesia, floride, flymo, ggp, gianni ferrari, granja, green cut, grillo, gutbrod, hako. Cet outil vous assure un confort optimal et un effort limité. Idéale sur les terrains de grande surface (rendement jusqu'à 15 000 m²/h), elle est utilisable même sur herbe mouillée ou haute. Quelle est la meilleure tondeuse autoportée ? Comparer les prix des 34 tondeuses autoportées disponibles parmi les offres des marchands et acheter moins cher avec idealo.fr ! Comparez les prix de 109 produits, recherchez votre tondeuse autoportée en filtrant par marque et année de sortie.
L'outil idéal pour votre pelouse arborée :
Cette tondeuse autoportée de jardin est reconnue comme une des plus faciles à utiliser, une des plus confortables. Lambin a sélectionné des modèles de grandes marques, le tout au meilleur prix et livré gratuitement à domicile ! Tondeuse autoportée équipée d'un plateau de coupe central à éjection arrière (évite les bourrages), avec bac de ramassage à bennage au sol ou hydraulique en hauteur. Plateau en acier de 56 cm (22 po) avec une largeur de coupe de 53,3 cm (21 po). La tondeuse idéale pour les terrains arborés d'une certaine taille, la tondeuse autoportée est l'outil parfait pour tondre votre pelouse et entretenir votre gazon. Pièces tracteur tondeuse, c'est le site de vente en ligne de pièces détachées pour votre tracteur tondeuse autoportée, motoculteur, micro tracteur daloz, dixon, dorigny, dynamark, eden park, electrolux, etesia, floride, flymo, ggp, gianni ferrari, granja, green cut, grillo, gutbrod, hako. Liste des produits de la marque : Comparez les prix de 109 produits, recherchez votre tondeuse autoportée en filtrant par marque et année de sortie. Tondeuse autoportée leroy merlin, achat tondeuse autoportée éjection arrière mtd optima ln165hrtg 500 cm³ l.105 cm prix leroy merlin 2 999.00 € ttc. Tracteur tondeuse oem twin cut. Vous cherchez une tondeuse autoportée greencut d'occasion? Tondeuse autoportee, tout savoir sur l'art de la tonte du gazon et des belles pelouses. Tondeuses autoportées neuves et d'occasions.
Seat Ibiza Reference - Seat Ibiza Reference Kleiner Unfall Fahrbereit In Bayern Theres Seat Ibiza Gebrauchtwagen Ebay Kleinanzeigen : Hier finden sie technische daten, preise, statistiken, tests und die wichtigsten gebrauchte seat ibiza reference bei autoscout24 finden. . Seat ibiza 1.4 reference ilanlarını inceleyin ve aradığınız seat ibiza 1.4 reference ilanını arabam.com'da hemen bulun! Şehrin hareketli otomobili, hayatınızı kolaylaştırmak için yeni özelliklerle donatıldı. Ncap/ancap web sayfası 2016 seat ibiza 1.2 tsi 90 hp reference ncap/ancap web sayfası. Download the new independent premium app. € 17.125 * private lease € 259 p/m brandstofverbruik v.a. Seat ibiza 1.4 reference ilanlarını inceleyin ve aradığınız seat ibiza 1.4 reference ilanını arabam.com'da hemen bulun! Ver más ideas sobre ibiza, autos, ibiza cupra. 1.0 mpi 75cv • 6 airbags : Dicho esto, el seat ibiza reference viene equipado con todos los sistemas de seguridad obligados por la unión ...
Rasoir Manuel Homme / Bien Choisir Son Rasoir Trucs Et Astuces / Marske homme 4 en 1 rasoir étanche. . Le meilleur rasoir manuel pour homme en 2020. meilleur rasoir manuel homme le rasoir, que ce soit pour homme ou pour femme rasoir jetable pour homme. ‖ acheter un anself rasoir manuel homme lame a double couche en acier inoxydable avis. Annonces correspondantes préciser la recherche (197). Nous avons testé plusieurs modèles de rasoirs manuels à tête jetable comme le gillette mach 3, le gillette fusion 5, le wilkinson hydro 5 et le dorco pace 6 quel rasoir manuel pour homme choisir ? Rasoir électrique rechargeable 3 têtes pour homme rasoir rasoir facial. Le meilleur rasoir manuel pour homme d'entrée de gamme. Découvrez notre comparatif des meilleurs rasoirs manuels pour homme du moment, sur après 7 heures de recherche et l'étude approfondie de 17 rasoirs manuels pour homme actuellement. N'attendez plus pour choisir votre rasoir manuel homme sur mencorne...
Fashion Week 2017 : Dsquared At Milan Fashion Week Spring 2017 Fashion Fashion Week Fashion Week Spring : See more ideas about fashion week, fashion, fashion week 2017. . Fashion week dates for 2017. A fashion week is a fashion industry event, lasting approximately one week, where fashion designers, brands or houses display their latest collections in runway fashion shows to buyers and the media. Milan fashion week 2017 spring/summer was beyond amazing, pure fashion, art, glamour, and edginess. See fashion shows see presentations. Get all of the looks, news, and gossip from 2017's resort and cruise runway shows. Instyle brings you fashion week coverage including the latest trends on the runway, and news from follow our tutorials to recreate the best fashion week hair and makeup trends. This site is brought to you by fashion week online and new york fashion week. See the standout looks from milan's top fall 2017 runways. The official website for new york fash...
Komentar
Posting Komentar